
Bevéső cilinderes (PZ), DIN szabványos ajtózár.
Balos, a csapdanyelv nem forgatható.
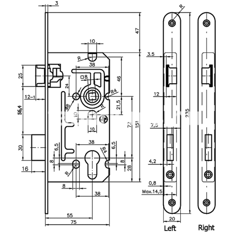
55/72/20/ 8/235, nikkel színű kerekített előlap.
Zárólemez nem tartozéka a zárnak.
Elsősorban beltéri ajtóknál használt bevéső zár.
Az úgynevezett bevéső épület zárakat, általában a következő paraméterek alapján szokták beazonosítani,
függetlenül attól, hogy fa,-műanyag,-fém,-vagy alu nyílászárókban használt zárakról beszélünk.
Szükséges információk:
- "dorn" méret, az zár előlapja és kilincs tengelye közötti távolság (a rajzon "B")
- kilincs tengely és a kulcslyuk kör alakú részének a tengelye közti távolság (a rajzon "D")
- a zár előlapjának szélessége (a rajzon "F") és a hossza (a rajzon "E")
- az előlap (a rajzon "F") íves vagy szögletes (a rajzon szögletes)
- a zár úgynevezett "diójának" mérete (ahol a kilincstengely megy át a záron)
Zárcsere estén esetén célszerű a zár gyártójával is tisztában lenni. A beazonosításban segít, hogy a zárak előlapján, általában van egy márkajelzés.
S110 DIN szabványos zárbetétes (PZ) zár paraméterei:
B= 55 mm
D= 72 mm
F= 20 mm
E=235 mm
Kilincstengely 8×8 mm
BAL